|
|
|
|
Radio Receiver Design (Part 1) |
|
This is quite a lengthy document and contains schematics as .gif files. It may take some time to download - but worth the wait. Please be patient.
PRINT THIS TUTORIAL OUT NOW:
This tutorial will teach you in very easy steps how to design basic radio receivers. I will attempt to de-mystify most aspects of design by my usual extremely casual approach to an electronic tutorial. It doesn't matter whether you are a short wave listener, an A.M. radio dx'er, into hobby electronics or amateur radio design, the broad basic principles will still apply.
TYPES OF RADIO RECEIVER
Basic crystal set.
A T.R.F. Receiver.
A Superhetrodyne Receiver.
the Reflex Receiver.
1. The first receiver built by a hobbyist is usually the plain old crystal set. If you are unfamiliar with the design then check out the crystal set page.
2. The T.R.F. (tuned radio frequency) receiver was among the first designs available in the early days when means of amplification by valves became available.
The basic principle was that all r.f. stages simultaneously tuned to the received frequency before detection and subsequent amplification of the audio signal.
The principle disadvantages were (a) all r.f. stages had to track one another and this is quite difficult to achieve technically, also (b) because of design considerations, the received bandwidth increases with frequency. As an example - if the circuit design Q was 55 at 550 Khz the received bandwidth would be 550 / 55 or 10 Khz and that was largely satisfactory. However at the other end of the a.m. band 1650 Khz, the received bandwidth was still 1650 / 55 or 30 Khz. Finally a further disadvantage (c) was the shape factor could only be quite poor. A common error of belief with r.f. filters of this type is that the filter receives one signal and one signal only.
Let's consider this in some detail because it is critical to all receiver designs. When we discuss bandwidth we mostly speak in terms of the -3dB points i.e. where in voltage terms, the signal is reduced to .707 of the original.
If our signal sits in a channel in the a.m. radio band where the spacing is say 10 Khz e.g. 540 Khz, 550 Khz, 560 Khz.... etc and our signal, as transmitted, is plus / minus 4Khz then our 550 Khz channel signal extends from 546 Khz to 554 Khz. These figures are of course for illustrative purposes only. Clearly this signal falls well within the -3dB points of 10 Khz and suffers no attenuation (reduction in value). This is a bit like singling one tree out of among a lot of other trees in a pine tree plantation.
Sorry if this is going to be long but you MUST understand this basic principle.
In an idealised receiver we would want our signal to have a shape factor of 1:1, i.e. at the adjacent channel spacings we would want an attenuation of say -30 dB where the signal is reduced to .0316 or 3.16% of the original. Consider a long rectangle placed vertically much like a page printed out on your printer. The r.f. filter of 10 Khz occupies the page width at the top of the page and the bottom of the page where the signal is only 3.16% of the original it is still the width of the page.
In the real world this never happens. A shape factor of 2:1 would be good for an L.C. filter. This means if the bottom of your page was 20 Khz wide then the middle half of the top of the page would be 10 Khz wide and this would be considered good!.
Back to T.R.F. Receivers - their shape factors were nothing like this. Instead of being shaped like a page they tended to look more like a flat sand hill. The reason for this is it is exceedingly difficult or near impossible to build LC Filters with impressive channel spacing and shape factors at frequencies as high as the broadcast band. And this was in the days when the short wave bands (much higher in frequencies) were almost unheard of. Certain embellishments such as the regenerative detector were developed but they were mostly unsatisfactory.
In the 1930's Major Armstrong developed the superhetrodyne principle.
3. A superhetrodyne receiver works on the principle the receiver has a local oscillator called a variable frequency oscillator or V.F.O.
This is a bit like having a little transmitter located within the receiver. Now if we still have our T.R.F. stages but then mix the received signal with our v.f.o. we get two other signals. (V.F.O. + R.F) and (V.F.O. - R.F).
In a traditional a.m. radio where the received signal is in the range 540 Khz to 1650 Khz the v.f.o. signal is always a constant 455 Khz higher or 995 Khz to 2105 Khz.
Several advantages arise from this and we will use our earlier example of the signal of 540 Khz:
(a) The input signal stages tune to 540 Khz. The adjacent channels do not matter so much now because the only signal to discriminate against is called the i.f. image. At 540 Khz the v.f.o. is at 995 Khz giving the constant difference of 455 Khz which is called the I.F. frequency. However a received frequency of v.f.o. + i.f. will also result in an i.f. frequency, i.e. 995 Khz + 455 Khz or 1450 Khz, which is called the i.f. image.
Put another way, if a signal exists at 1450 Khz and mixed with the vfo of 995 Khz we still get an i.f. of 1450 - 995 = 455 Khz. Double signal reception. Any reasonable tuned circuit designed for 540 Khz should be able to reject signals at 1450 Khz. And that is now the sole purpose of the r.f. input stage.
(b) At all times we will finish up with an i.f. signal of 455 Khz. It is relatively easy to design stages to give constant amplification, reasonable bandwidth and reasonable shape factor at this one constant frequency. Radio design became somewhat simplified but of course not without its associated problems.
We will now consider these principles in depth by discussing a fairly typical a.m. transistor radio of the very cheap variety.
THE SUPERHETRODYNE TRANSISTOR RADIO
I have chosen to begin radio receiver design with the cheap am radio because:
(a) nearly everyone either has one or can buy one quite cheaply. Don't buy an A.M. / F.M. type because it will only confuse you in trying to identify parts. Similarly don't get one of the newer I.C. types.
Just a plain old type probably with at least 3 transformers. One "red" core and the others likely "yellow" and "black" or "white". Inside will be a battery compartment, a little speaker, a circuit board with weird looking components, a round knob to control volume.
(b) most receivers will almost certainly for the most part follow the schematic diagram I have set out below (there are no limits to my talents - what a clever little possum I am).
(c) if I have included pictures you know I was able to borrow either a digital camera or had access to a scanner.
Important NOTE: If you can obtain discarded "tranny's" (Australian for transistorised am radio receiver) by all means do so because they are a cheap source of valuable parts. So much so that to duplicate the receiver as a kit project for learning purposes costs about $A70 or $US45. Incredible. That is why colleges in Australia and elsewhere can not afford to present one as a kit.

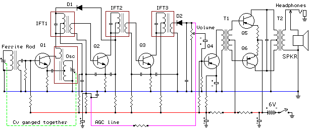
Figure 1 - 1
Now that's about as simple as it gets. Alright get up off the floor. You will be amazed just how you will be able to understand all this fairly soon.
Unfortunately the diagram is quite congested because I had to fit it in a space 620 pixels wide. No I couldn't scale it down because all the lines you see are only one pixel wide.
So lets look at each section in turn, maybe re-arrange the schematic for clarity and discuss its operation. Now firstly the input, local oscillator, mixer and first i.f. amplifier. This is called an autodyne converter because the first transistor performs as a both the oscillator and mixer.
Figure 1 - 2
Collin's Home Page Colin's Amateur Radio Page Colin's Snooker Page Colin's Guest Book Contact Me About Me
This Web page was last updated on Friday September 21, 2001
© 2001 Designed by Colin McCord