Radio Receiver Design (Part 2)

BACK

This is quite a lengthy document and contains schematics as .gif files. Accordingly it may take some time to download - but worth the wait. Please be patient.

PRINT THIS TUTORIAL OUT NOW:

In Part 1 I finished by saying let's look at each section in turn, maybe re-arrange the schematic for clarity and discuss its operation. Now firstly the input, local oscillator, mixer and first i.f. amplifier. This is called an autodyne converter because the first transistor performs as a both the oscillator and mixer.

autodyne converter
Figure 2 - 1

Now let's re-arrange the autodyne circuit into two circuits. The oscillator section and the mixer section.

AM mixer and oscillator sections

Figure 2 - 2

Now obviously some components get duplicated across both sections not the least is our transistor.

OSCILLATOR SECTION

At power on, random noise produces a slight variation in the base current of Q1 which of course is amplified many, many times by the transistor producing a large variation in collector current. This a.c. signal from the collector induces a current in the secondary circuit which is tuned by our variable capacitor to the desired oscillator frequency. The coupling capacitor then couples the resonant frequency back into the emitter. With proper phasing (pri - sec winding turns in relation to one another) the feedback will be positive or regenerative and of sufficient voltage to keep the oscillator going.
The tuned secondary is an auto-transformer which matches the high tank impedance to the low impedance emitter.

MIXER SECTION

Here the .02 capacitor bypasses the base bias resistors to ground so the transistor as an oscillator is essentially a grounded base configuration.

What happens is the ferrite rod antenna picks up passing waves and tunes with the ganged tuning capacitor to the desired station whilst the other part of the ganged capacitor tunes the oscillator which is always a constant 455 Khz higher in frequency. Because of the transistor being biased in a non-linear region it also operates as a mixer. The IF load transformer is tuned to the difference frequency of 455 Khz and rejects all others.

Because the emitter is bypassed and the rf is injected into the base, the mixer is a grounded emitter configuration.

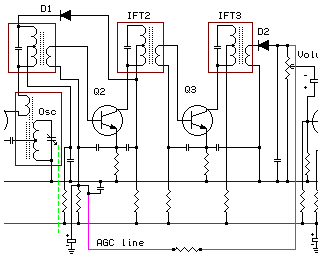
I.F. STAGES AND A.G.C.

There is nothing remarkable with the I.F. Amplifier stages. The gain of the first stage Q2 is controlled by an A.G.C. voltage (audio derived). The agc line is the purple (yuk!) line.

I.F. Amplifier and A.G.C.
Figure 2 - 3

What happens is the signal passes through the if stages and is detected (rectified) by D2. Part of the rectified signal is applied across the volume control and transferred to later audio stages. Another part (purple) is applied back to the input of Q2 as opposing d.c., the strength of which varies in proportion to the received signal. On strong received signals the gain of Q2 is reduced while on weaker signals the gain becomes greater.

In theory, with such a mechanism the recovered audio signal going to our audio amplifier would be a constant level irrespective of the strength of our received signal on the loop antenna. This circuit has a number of limitations so D1 is used as an "extra agc circuit" in that on very high signals some of the signal gets shunted to ground.



Collin's Home Page    Colin's Amateur Radio Page    Colin's Snooker Page    Colin's Guest Book    Contact Me    About Me


This Web page was last updated on Friday September 21, 2001


© 2001 Designed by Colin McCord