|
|
|
|
Double Balanced Mixers and Baluns |
|
First off some rough
definitions for the mixer and balun:
- A passive mixer where
F1 is introduced at one port whilst F2 is introduced at the second port. These
frequencies are then mixed with the result that F1 + F2 and F2 - F1appear at the
output port. We select the one we are looking for and discard the other. The
important feature is the mixer, because of the balance of the hot carrier diodes
and transmission line transformers cancels even harmonics of both the R.F. input
(port 1) and L.O. frequencies (port 2) and provides isolation among ports.
A transmission line transformer for converting balanced input to unbalanced output or vice versa. It may or may not provide wide frequency range impedance transformation depending upon the configuration used.
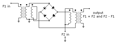
A typical double balanced mixer is depicted in figure 1 below.

Figure 1
Now first off you can see one transmission line transformer on the left and there is also a mirror reverse one on the right. In the middle are four diodes arranged in a bridge configuration. If you think it looks a bit like a bridge rectifier you would almost be right.
In this application the diodes operate as high speed switches where the incoming F1 signal is "chopped" at the rate of the F2 signal. It can be mathematically proven that "sum" and "difference" signals result, now unless you are into sado-masochism you don't want to particularly see those figures.
Now let's list the advantages and disadvantages and then see if the disadvantages can be overcome:
reasonable conversion loss on signal F1. This is usually about 7dB. Many would consider this a disadvantage but I'm quite happy with it. I never look for conversion gain, that's what a quality I.F. Amplifier is all about.
balance of the output. You should expect to see "sum" and "difference" signals only. No F1 or F2 signals should appear at the output. Similarly because of this balance the F1 and F2 signals do not appear at each others port.
consumes no power except for the losses incurred in conversion.
broadband in nature and therefore suited to multiband designs.
high intercept points.
a relatively high noise figure, about the same as the conversion loss.
fairly high local oscillator drive requirements. Typical values are +13dBm (that's 20 mW into 50 ohms or 1V rms or nearly 3V pk to pk). Some mixers require even higher levels.
each port is highly sensitive to reactive terminations. A pure 50 ohms would be ideal. Proper termination is absolutely critical, particularly the "sum" and "difference" or I.F. port.
hot carrier diodes are relatively expensive. High quality, high speed diodes which will take the necessary saturating current and large reverse voltages across the non conducting diodes are an absolute must where performance counts.
diodes need to be well "matched".
the transmission line transformers require great care in design and construction. The actual construction will determine the bandwidth.
somewhat prone to harmonic mixing. Diodes make ideal harmonic generators.
in some applications you can use a singly balanced mixer where a noise figure of about 5dB might be expected. Noise figure is rarely an issue in H.F. sets. At V.H.F. and beyond it is likely you would employ a low noise r.f. preamp anyway. At H.F. don't even think of using an R.F. amplifier ahead of a mixer unless you know precisely why you are doing it. No! No! No!
if you are running portable and using battery power then don't worry about it. A well designed and constructed local oscillator should have been well "buffered" and filtered anyway and I would expect you would have power to burn if you are operating a mains powered set. A few extra transistors and components won't send you broke and you are after performance after all. Why else would you be reading this?.
ahah! now were getting down. The most critical port is the I.F. port which MUST see 50 ohms at all frequencies. The simple solution here is to place a diplexer at this port together with a post mixer amplifier. Don't fret, more on this later. The local oscillator port should have a low pass filter in line designed to work into a 50 ohm load. You have done my tutorials on LC filters haven't you. If not save yourself some grief and do it!.
This low pass filter should have a 6dB attenuator after it. Bang your L.O. drive has just gone up from +13dB to +19dB now - so there. You could use 3dB I suppose but something higher is better.
The R.F. input port should have some filtering ahead of it leading to the 50 ohm mixer load. Now you have to do the LC filter tutorial.
well first off you could save yourself a lot of angst by buying a commercially manufactured mixer. Minicircuits SBL-1 would be an example. It comes in a can with a pin out the same as an 8 pin DIP and can be bought for only a few dollars. You could shop around for suitable diodes cheaply available e.g. Hewlett Packard's HP5082-2800 or similar. In North America Dan's Small Parts seem to have a variety and I think the mixer is also available. Links to all sites mentioned appear at the end of this tutorial.
don't even consider using 1N914 types if you want results. The HP 2800 types are pretty well matched but I'd still check a bunch for foward and back resistance.
well may be this is a further reason for buying an SBL-1 or similar. Considering the cost of four quality diodes, two ferrite cores and suitable winding wire etc. The commercial unit looks dirt cheap. But so you understand I will continue.
The transmission line transformers in figure 1 are tri-filar wound i.e. there are three windings. The large dots indicate phasing which is most important. It might be considered the start of each winding.
Take a typical ferrite toroid used for this purpose. An example might be 15 turns of # 26 wire on an Amidon T-50-61 ferrite toroid. Firstly estimate the length of wire required to complete 15 turns, leaving a bit left over to connect to the board or whatever and for knots etc. (see next para). Now these wires should exhibit an impedance of 50 ohms and at home this is difficult to obtain.
Take three suitable lengths of wire. With the first one tie one little knot at about 4" or 100mm from the extreme both ends. The next piece tie two knots similarly at both ends. Now we have three wires with (1) no knot, (2) one knot and (3) two knots - easily identifiable o.k. - you could try marker pens etc. but I find that rubs off.
Now for this you need a hand drill with a fish hook or similar tightened in the chuck. You might have to improvise once you get the gist of what I am telling you.
Tie the three wires together at one end in such a fashion it can be readily undone later and clamp this securely in a bench vise. Pull the other end of the wires straight and reasonably taut and tie to the fish hook. Once secure, gently stretch the wires a bit - this is good. Then commence slowly winding the hand drill and you will note the wires twisting together. After a while the twists become closer together and at about 2.5 twists per inch or one per centimetre (10mm) you should have something suitable.
Collin's Home Page Colin's Amateur Radio Page Colin's Snooker Page Colin's Guest Book Contact Me About Me
This Web page was last updated on Friday September 21, 2001
© 2001 Designed by Colin McCord